首页
关于我们
公司概况
企业文化
发展历程
企业荣誉
公司架构
核心产品
全自动玻璃盖板印刷系
全自动烘烤炉系列
3D玻璃全制程系列
其他
新闻中心
公司动态
行业资讯
视频中心
投资者关系
实时行情
公告
信息披露
招贤纳士
员工福利
招贤纳士
投送简历
千亿·(中国)手机网页版
EN
/
中文
语言
导航
EN
中文
首页
关于我们
公司概况
企业文化
发展历程
企业荣誉
公司架构
核心产品
全自动玻璃盖板印刷系
全自动烘烤炉系列
3D玻璃全制程系列
其他
新闻中心
公司动态
行业资讯
视频中心
投资者关系
实时行情
公告
信息披露
招贤纳士
员工福利
招贤纳士
投送简历
千亿·(中国)手机网页版
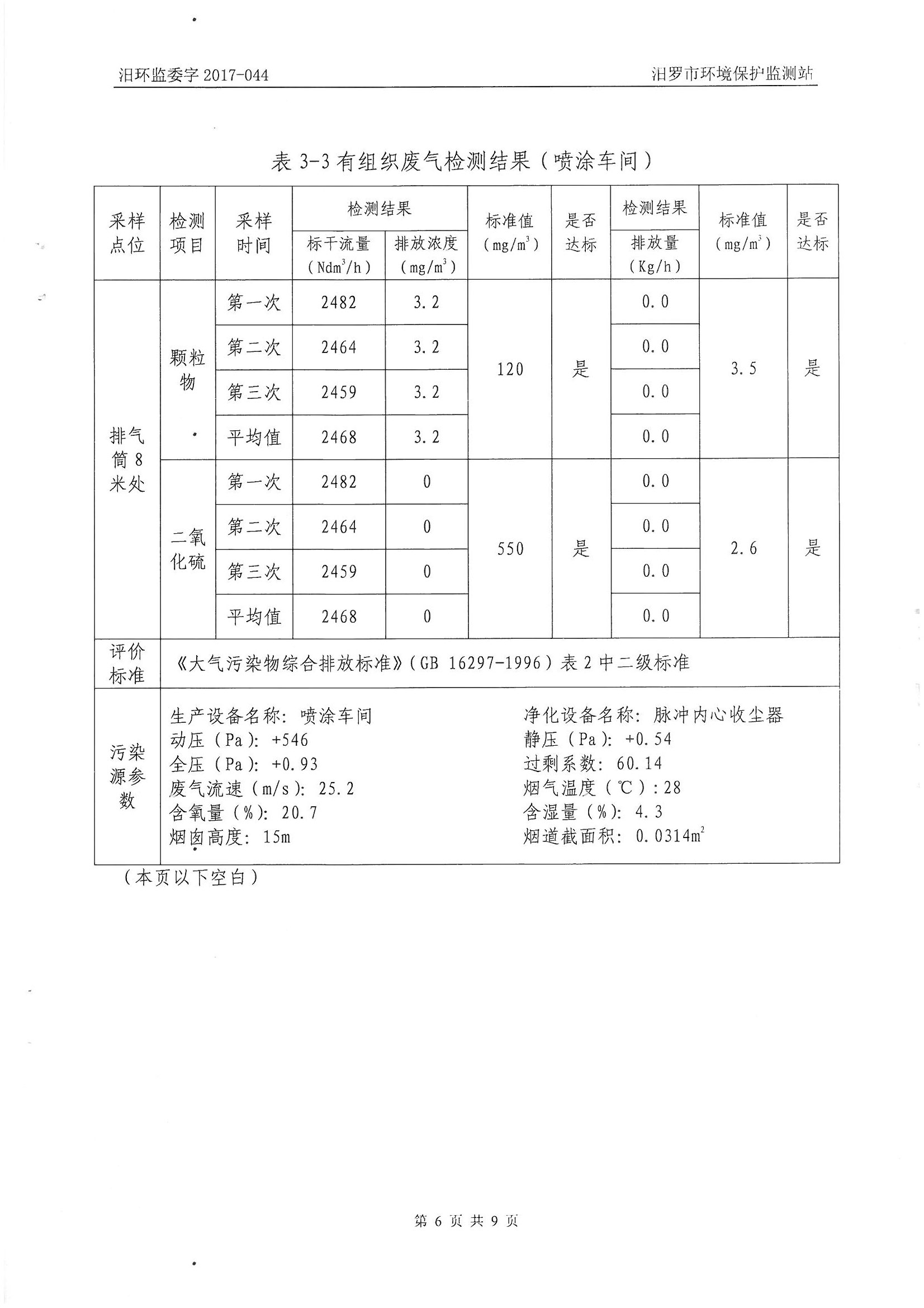
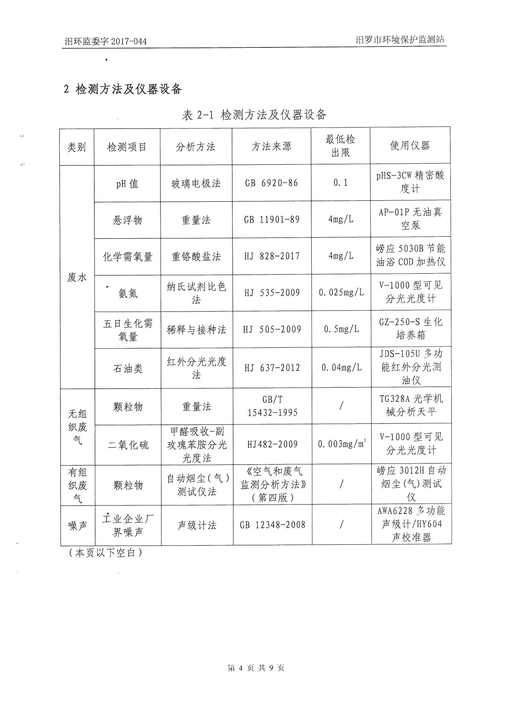
千亿·(中国)手机网页版环保监测报告
所属分类:
公司动态
发布时间:
2017-08-22
分享到:
Copyright © 2014-2016 千亿·(中国)手机网页版 版权所有 湘ICP备17016185号 执照认证链接
关闭
乐玩在线登录
|
云博体育在线
|
开云官方网址
|
开云集团官网(中国)官方网站
|
乐宝体育
|
球速·体育
|
YYTY.COM
|
YIYOU.COM易游
|
yunbo.com
|